Pages
Home
AF
Arduino
Automation
Ham radio
Lab
PS
RX
RF
TV
TX
Vintage
Send a diagram!
Contact
Oct 2, 2022
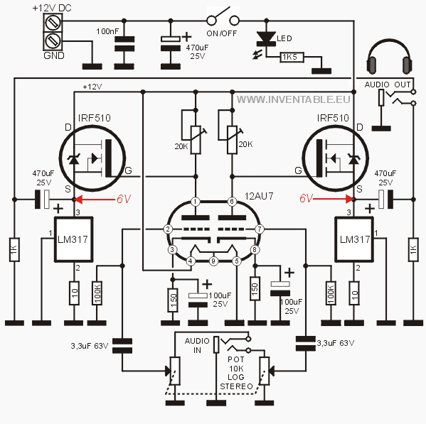
Tube amplifier for 12V headphones
Additional information (photo, wiring, installation details):
SOURCE
No comments:
Post a Comment
Older Post
Home
Subscribe to:
Post Comments (Atom)
No comments:
Post a Comment